
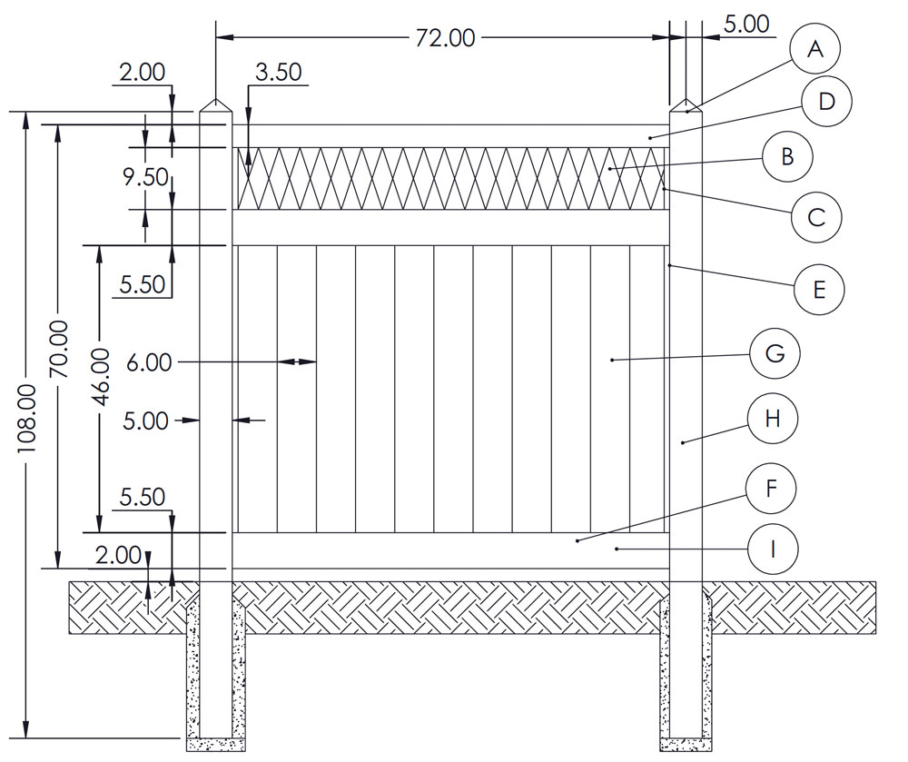
6' × 6' Privacy w/Lattice
1 ¾" × 7"
Nexus Pocket Rail
⅞" × 6"
T&G
5" × 5"
Post
12" × 96"
Lattice
#HVP-90
| Key | QTY | Item Key | Description |
|---|---|---|---|
| A | 2 | C55PRYA | 5" × 5" Pyramid Cap |
| B | 2 | F10C | 5" × 5" × 108" Co-Extruded Utility Post |
| C | 1 | F25B | 1 ¾" × 3 ½" × 69 ½" Hollow Standard |
| D | 1 | LPRECUT | 12" × 96" Lattice Pannel |
| E | 2 | F3P7 | 1 ¾" × 7" × 69 ½" Nexus Pocket Rail |
| F | 11 | F54G | ⅞" × 6" × 48" T&G |
| G | 2 | F83U | ⅞" × 45" Trim Channel |
| H | 2 | F83U | ⅞" × 9.5" Trim Channel |
| i | 1 | G3RFM147 | 1 ¾" × 68 ½" Steel Rail Insert In Bottom Rail |
Please refer to the appropriate guideline documents available on this app for proper installation.

6' × 8' Nexus Privacy w/lattice
1 ¾" × 5 ½"
Nexus Pocket Rail
⅞" × 6"
T&G
12" × 96"
Lattice
5" × 5"
Post
#HVP-6
| Key | QTY | Item Key | Description |
|---|---|---|---|
| A | 2 | C55PRYA | 5" × 5" Pyramid Cap |
| B | 2 | F10C | 5" × 5" × 108" Co-Extruded Utility Post |
| C | 1 | F25B | 1 ¾" × 3 ½" × 94" Hollow Standard |
| D | 1 | LPRECUT | 12" × 96" Lattice Pannel |
| E | 2 | F3P5 | 1 ¾" × 5 ½" × 94" Nexus Pocket rail |
| F | 15 | F54G | ⅞" × 6" × 49" T&G |
| G | 2 | F83U | 46" Trim Channel |
| H | 2 | F83U | 9 ½" Trim Channel |
| I | 1 | G3RFM147 | 1 ¾" × 93" Steel Rail Insert In Bottom Rail |
Please refer to the appropriate guideline documents available on this app for proper installation.

6' × 8' Semi-Privacy w/lattice
2" × 6"
Ribbed Rail
⅞" × 6"
T&G
12" × 96"
Lattice
5" × 5"
Post
#HVP-106
| Key | QTY | Item Key | Description |
|---|---|---|---|
| A | 2 | C55PRYA | 5" × 5" Pyramid Cap |
| B | 2 | F10C | 5" × 5" × 108" Co-Extruded Utility Post |
| C | 2 | F24E | 2" × 3 ½" × 9" Hollow Standard |
| D | 1 | LPRECUT | 12" × 96" Lattice Pannel |
| E | 1 | F22C | 2" × 6" × 94" Ribbed rail |
| F | 13 | F54G | ⅞" × 6" × 49" Ribbed Standard |
| G | 2 | F83U | 9 ½" Trim Channel |
| H | 1 | G3RFH148 | 2" × 93" Steel Rail Insert In Bottom Rail |
Please refer to the appropriate guideline documents available on this app for proper installation.

6' × 8' Nexus Privacy w/lattice (70")
1 ¾" × 5 ½"
Nexus Pocket Rail
⅞" × 6"
T&G
12" × 96"
Lattice
5" × 5"
Post
#HVLT-06
| Key | QTY | Item Key | Description |
|---|---|---|---|
| A | 2 | C55PRYA | 5" × 5" Pyramid Cap |
| B | 1 | LPRECUT | 12" × 96" Lattice Pannel |
| C | 2 | F89S | ¾" × 9 ½" Lattice Channel |
| D | 1 | F24E | 2" × 3 ½" × 94" Hollow Utility Rail |
| E | 2 | F83U | ⅞" × 46" Trim Channel |
| F | 2 | F3P5 | 1 ¾" × 5 ½" × 94" Nexus Pocket Rail |
| G | 15 | F54G | ⅞" × 6" × 49" Gorilla T&G |
| H | 2 | F10E | 5" × 5" × 108" Co-Ex Utility Post |
| I | 1 | G3RFM147 | 1 ¾" × 93" Steel Rail Insert In Bottom Rail |
Please refer to the appropriate guideline documents available on this app for proper installation.

6' × 6' Nexus Privacy w/lattice (70")
1 ¾" × 5 ½"
Nexus Pocket Rail
⅞" × 6"
T&G
12" × 67"
Lattice
5" × 5"
Post
#HVLT-07
| Key | QTY | Item Key | Description |
|---|---|---|---|
| A | 2 | C55PRYA | 5" × 5" Pyramid Cap |
| B | 1 | LPRECUT | 12" × 67" Lattice Pannel |
| C | 2 | F89S | ¾" × 9 ½" Lattice Channel |
| D | 1 | F24E | 2" × 3 ½" × 70" Hollow Utility Rail |
| E | 2 | F83U | ⅞" × 46" Trim Channel |
| F | 2 | F3P5 | 1 ¾" × 5 ½" × 70" Nexus Pocket Rail |
| G | 15 | F54G | ⅞" × 6" × 49" Gorilla T&G |
| H | 2 | F10E | 5" × 5" × 108" Co-Ex Utility Post |
| I | 1 | G3RFM147 | 1 ¾" × 71" Steel Rail Insert In Bottom Rail |
Please refer to the appropriate guideline documents available on this app for proper installation.